CD-S1000 已停產
高保真音質始于雅馬哈
Yamaha致力于開創優質音樂已超過一個世紀,早可回溯到我們在1887年所建成的臺管風琴?,F在我們是鋼琴及其它樂器生產商,并廣泛參與到關于音樂的各種活動中。我們制造專業錄音設備,我們設計音樂廳并且協助藝術家在音樂會上配置和調校音響環境和設備。這些知識與經驗有益于我們以許多其他方式來制作音頻組件。1954年,我們推出了臺高保真電唱機。此后我們也是較早提供批量生產高品質的音響設備廠商之一,并推出了許多舉世聞名的音響組件。我們真誠的希望您能享受高保真Yamaha Natural Sound所帶來的體驗。
超高精度,Super Audio CD播放器傳承CD-S2000的高音質設計。
設計,制造,調校再現了真正無與倫比的音樂
CD格式的出現伴隨著我們有25年的時間,縱使有新的格式出現,它至今仍然非常普及。如今,多碟式播放器已經非常普遍,CD同樣可以在DVD播放器進行播放,盡管如此,發燒友仍希望使用單一碟片播放器來盡很大可能獲取很高音質。雅馬哈CD-S1000滿足了用戶的這個需求——能夠播放CD和Super Audio CD,它的設計和制造著重于每一處細節,非常的再現音樂,沒有任何添加或損失。
CD-S1000傳承了CD-S2000的高音質設計,但沒有平衡式輸出電路。基本的性能仍沿用CD-S2000卓越的功能,例如采用了數模轉換器使轉換精度高,噪音低,采用雅馬哈超靜音加載裝置,這些性能在CD-S1000和CD-S2000都是相同的。
真正使CD-S1000從眾多CD機中脫穎而出的是上述功能以及其超優異的電子和機械性能,雅馬哈設計師以音樂家對音樂的敏銳度來校準音質,不像DVD播放器作為音頻組件時,校準音質方式非常接近于電腦,而CD-S1000的制造宛如一種樂器。差異非常明顯,特別是當您使用這臺CD播放器搭配A-S1000或者其他高性能放大器時,將給您帶來的佳CD音質。
差動數模轉換器
CD-S1000的左、右聲道使用了差動數模轉換器,輸出分別為正?和負?。研發技術來自于雅馬哈在數字科技領域中的豐富經驗,確保了很高的轉換精度,以及其優異的S/N信噪比和動態范圍。所有其他組件包括模擬電路均從廣泛的聽音測試中精挑細選而出。全面調整并完善音質,甚至包括機械裝置,這將使您享受為震撼的動態音效和強勁有力的CD再生音質。
超靜音加載裝置和高精度CD驅動
即使在CD數字還原的過程中,裝置拾取的信號仍是模擬的。因此它的精度很大程度上會影響數字信號的還原和終的音質。CD-S1000的機械裝置具有雅馬哈獨有的超靜音加載裝置,加載時使用同步嚙合裝置來取代會產生噪音的齒輪,光碟托盤轉動時完全寂靜無聲,且經久耐用。它的其它裝置也擁有品質,包括一個非常穩定的無刷馬達,完全無振動的鋁制光碟片托盤。厚鋼板和木地盤重而穩定,遠勝于普通塑料托盤。
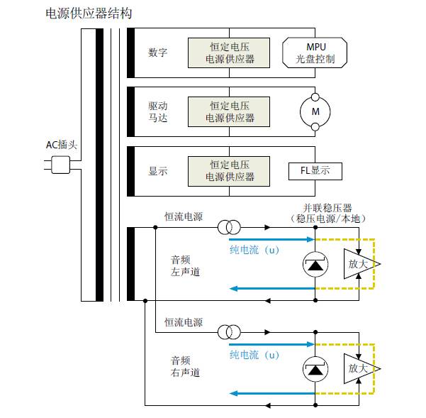
4組具有獨立結構的電源供應器
電源供應器有4個部分——音頻電路,數字電路,驅動裝置電路和顯示電路——它們彼此完全獨立,與變壓器分開,很大程度的減小了相互之間影響以及接地潛在電流影響從而有效避免降低音質。音頻電路的電源供應器是獨立左右結構的恒電流型;確保供應穩定、純凈的電流,有助于出色的聲道分離。
純直通電路
CD-S1000提供純直通電路,是雅馬哈放大器和收音擴音器的特色。由于具有獨立的模擬和數字部分,它等同于一款優質的放大器,設計師決定利用雅馬哈放大器技術來幫助實現高音質。當純直通指示器點亮,前面板顯示器和數碼輸出被關閉,從而可盡可能提供很高模擬音質。
高強度結構
和A-S2000,A-S1000集成放大器一樣,這款播放器具有堅固的左右對稱設計,中間是鋼筋骨架。其特殊設計支撐腳座穩定接地,可避免外部所引起的震動
特殊設計的支撐腳座
基座高度可以調整、堅固的金屬支撐腳座很大限度的穩固和消除任何外部引起的震動。
來自于Super Audio CD的優質聲音
CD-S1000是一款Super Audio CD,給您帶來更動感的聆聽體驗。
| 兼容唱片 | SA-CD, CD, CD-R/RW (MP3, WMA) | ||
| 頻率響應 | (CD) | 2 Hz-20 kHz | |
| (Super Audio CD) | 2 Hz-50 kHz (-3 dB) | ||
| 諧波失真 | (CD) | 0.002% (1 kHz) | |
| (Super Audio CD) | 0.002% (1 kHz) | ||
| 信噪比 | 113 dB | ||
| 動態范圍 | (CD) | 100 dB | |
| (Super Audio CD) | 105 dB | ||
| 尺寸(寬 x 高 x 深) | 435 x 137 x 440 mm | ||
| 重量 | 15公斤 | ||
Super Auido CD(SA-CD)
基于目前CD標準的音頻格式,但是包含了大量的高音質信息。這里有三種光盤:單層膜,雙層膜和混合光盤。由于包含了標準音頻CD和超?音頻CD信息,混合光盤可以在目前的CD播放器中播放,同樣也能在超?音頻CD播放器中播放。
“Super Audio CD”是商標。
CD-DA(Compact Disc Digital Audio)
